元器件系列
ZW20-12F系列户外高压交流分界真空断路器
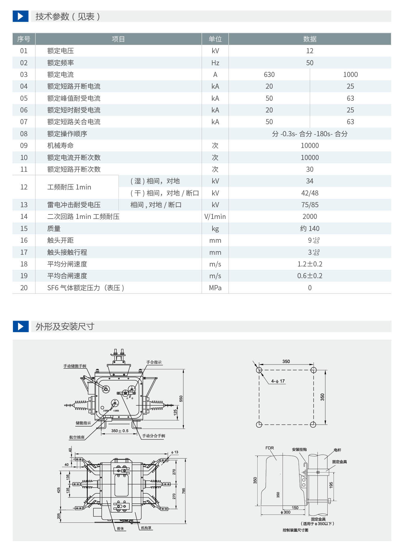
ZW20-12F/T☐-☐系列型户外高压真空断路器(以下简称断路器)为额定电压12kV,三相交流50Hz的户外配电设备。它采用真空灭弧和SF6气体作为绝缘介质,是ZW20-12F型柱上真空断路器改进型产品。箱体采用了引进日本东芝公司VSP5的气体密封、防爆、绝缘结构技术,进出线导管也进行了密封性能改进,整体密封性能优良,内部充装的SF6气体不泄漏,不受个界环境影响;其弹簧操作机构进行了小型化设计和可靠性和稳定性优化,采用直动链条主传动和多级脱扣系统,动作可靠性和稳定性比国内传统的弹簧操作机构提高了好几倍;主回路的轴与套之间的接触采用了内收外张式表链结构,主回路的接触电阻小、温升低。所以,ZW20-12F型户外柱上真空断路器是一种免维护产品,是柱上断路器中的佳品。
厂家直销
品质保障
支持定制
售后服务
产品详情:



